МАШИНА ПОСУДОМОЕЧНАЯ DIHR RX 144 DX+DDE+XP+DR64
Характеристики товара
Производитель:
Модель:
RX 144 DX+DDE+XP+DR64
Страна производства:
Италия
Цены и наличие уточняйте.:
3425042.4
Вес (без упаковки), кг:
270
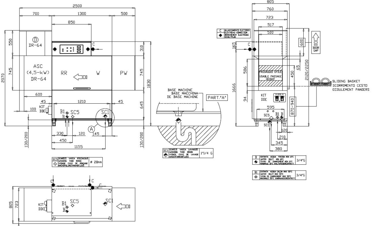
Длина, мм:
2500
Ширина, мм:
805
Высота, мм:
2070
Вес (в упаковке), кг:
320
Длина (в упаковке), мм:
2800
Ширина (в упаковке), мм:
905
Высота (в упаковке), мм:
2100
Вольтаж:
380
reserve_un_msk:
0
3 339 418
₽
2500x805х2070мм, 380В, 34,35 кВт, 93-144 кас/ч (3 скорости), XP - доп. мощность для подключения к холодной воде, DDE - дозатор моющих и ополас. средств, DR64 - сушка, корзины в комплекте: С40 для тарелок, C44 для бокалов, С43 для GN1/1, C47 для приборов, DX - движение СПРАВА-НАЛЕВО,
